Introdu datele de contact și revenim cu un apel!

ru
Product
Product
Product
Product
Product

Baterie Grohe BAUEDGE lavoar inalt, cu ventil

3 433 MDL
Out stock Stoc Epuizat
Livrare Gratuită

Disponibilă pentru comenzi peste 4000 MDL

Cod produs: GHB010XBE

Bateria de lavoar înaltă din gama BauEdge este proiectată special pentru a fi utilizată împreună cu lavoarele tip bol montate pe blat, oferind un echilibru perfect între formă și utilitate. Designul său vertical, completat de un mâner metalic ergonomic, aduce un plus de rafinament băilor moderne, asigurând în același timp un spațiu generos sub pipă pentru o spălare confortabilă. Finisajul cromat StarLight nu doar oferă o strălucire de oglindă, dar garantează și o rezistență ridicată la coroziune și depuneri de calcar, menținând aspectul estetic pe termen lung.

Avantaje cheie:

  • cartuș ceramic LongLife pentru o reglare lină a volumului de apă și a temperaturii
  • tehnologie EcoJoy care reduce consumul de apă la 5,7 l/min pentru eficiență sporită
  • corp înalt adaptat perfect pentru lavoarele de tip chiuvetă-bol pe blat
  • suprafață netedă pentru o curățare rapidă și o întreținere fără efort

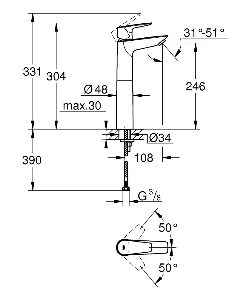
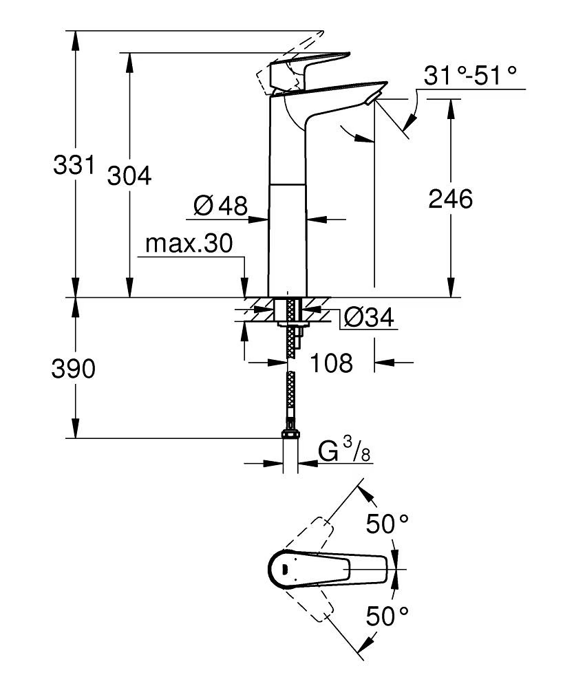
Compatibilitate și condiții de montare: proiectată pentru montaj pe blat într-un singur orificiu; include racorduri flexibile de alimentare G3/8; compatibilă cu sistemele de apă caldă și rece standard. Recomandări de îngrijire și siguranță: curățați produsul cu o lavetă umedă și soluții de curățare neutre; nu utilizați bureți abrazivi; verificați periodic etanșeitatea sistemului după punerea în funcțiune.

Setul de scurgere este inclus în set, fiind perfect compatibil cu acest model. Nu este necesară achiziția unui ventil suplimentar.

Material obiecte sanitare
Alamă sanitară
Înălțimea bateriei
311
Proiecție pipă
134
Finisaj produs
Crom
Debit (l/min - bar)
6 l/min la 3 bar
Tip de cartuş
Cartuș ceramic
Tip conexiune
Racorduri flexibile incluse 3/8″
Garanție producător
5 (ani)
Tip montare baterie
Pe blat
Set de scurgere
Cu ventil

Nu există recenzii pentru acest produs încă.

Scrie o recenzie despre produs

PRODUSE RECOMANDATE

Vezi toate produsele

SIMPLEX SERVICE

Beneficiezi de garanție, soluționarea cazurilor de garanție, reparații eficiente și servicii de întreținere pentru echipamentele termo-hidro: punere în funcțiune, revizie tehnică, diagnosticare, conectare termostate și automatizări. Asigurăm performanță și siguranță pe termen lung pentru produsele tale.

Vezi toate serviciile